

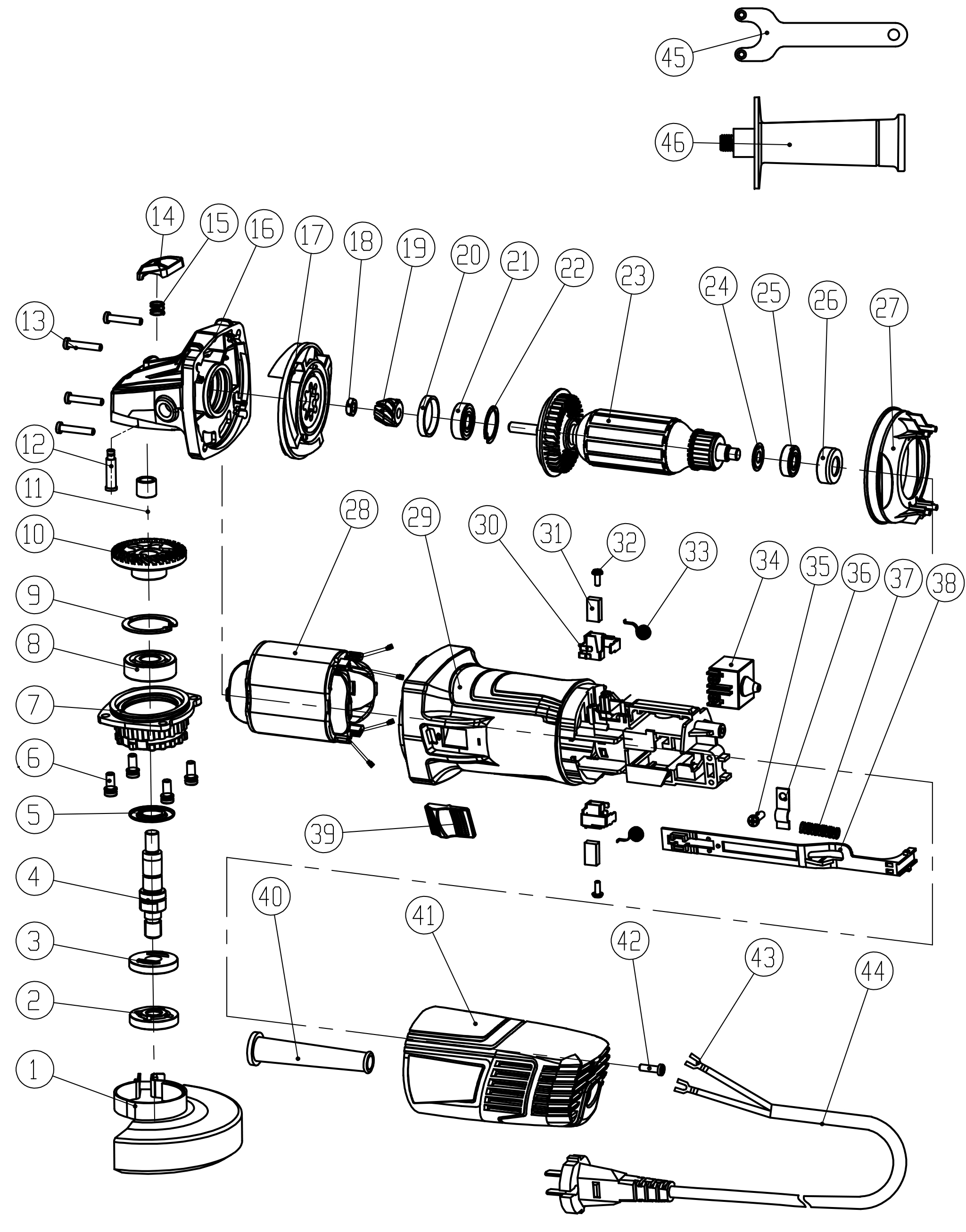
| Номер на картинке | Артикул | Наименование детали |
| 1 | 4.010.125.20-01 | Защитный кожух |
| 2 | 4.010.125.20-02 | Зажимная гайка |
| 3 | 4.010.125.20-03 | Фланец внутренний |
| 4 | 4.010.125.20-04 | Вал |
| 5 | 4.010.125.20-05 | Кольцо 29x12x0.3 |
| 6 | 4.010.125.20-06 | Винт M4x14 |
| 7 | 4.010.125.20-07 | Корпус подшипника |
| 8 | 4.010.125.20-08 | Подшипник 6201-2RS |
| 9 | 4.010.125.20-09 | Стопорное кольцо 32 |
| 10 | 4.010.125.20-10 | Шестерня большая |
| 11 | 4.010.125.20-11 | Игольчатый подшипник HK0812 |
| 12 | 4.010.125.20-12 | Стопор |
| 13 | 4.010.125.20-13 | Винт M4x18 |
| 14 | 4.010.125.20-14 | Кнопка стопора |
| 15 | 4.010.125.20-15 | Пружина стопора |
| 16 | 4.010.125.20-16 | Корпус редуктора |
| 17 | 4.010.125.20-17 | Крыльчатка |
| 18 | 4.010.125.20-18 | Гайка M6 |
| 19 | 4.010.125.20-19 | Шестерня малая |
| 20 | 4.010.125.20-20 | О-Кольцо 22x24x4 |
| 21 | 4.010.125.20-21 | Подшипник 608-2RS |
| 22 | 4.010.125.20-22 | Кольцо |
| 23 | 4.010.125.20-23 | Ротор |
| 24 | 4.010.125.20-24 | Изоляционная втулка |
| 25 | 4.010.125.20-25 | Подшипник 607-2Z |
| 26 | 4.010.125.20-26 | Амортизатор подшипника |
| 27 | 4.010.125.20-27 | Задняя крышка ротора |
| 28 | 4.010.125.20-28 | Статор |
| 29 | 4.010.125.20-29 | Корпус двигателя |
| 30 | 4.010.125.20-30 | Щеткодержатель |
| 31 | 4.010.125.20-31 | Угольные щетки 5x8x14 |
| 32 | 4.010.125.20-32 | Винт ST2.9×8 |
| 33 | 4.010.125.20-33 | Пружина |
| 34 | 4.010.125.20-34 | Кнопка |
| 35 | 4.010.125.20-35 | Винт ST3.9×14 |
| 36 | 4.010.125.20-36 | Кабельный зажим |
| 37 | 4.010.125.20-37 | Пружина |
| 38 | 4.010.125.20-38 | Тяга кнопки |
| 39 | 4.010.125.20-39 | Внешняя кнопка |
| 40 | 4.010.125.20-40 | Защита кабеля |
| 41 | 4.010.125.20-41 | Задняя крышка корпуса двигателя |
| 42 | 4.010.125.20-42 | Винт ST3.9×14 |
| 43 | 4.010.125.20-43 | Клеммы |
| 44 | 4.010.125.20-44 | Сетевой кабель с вилкой |
| 45 | 4.010.125.20-45 | Ключ |
| 46 | 4.010.125.20-46 | Дополнительная рукоятка |
Узнать стоимость запчастей к болгарке WATT WWS-1000 (4.010.125.20), а также к другому инструменту вы можете по этой ссылке.