

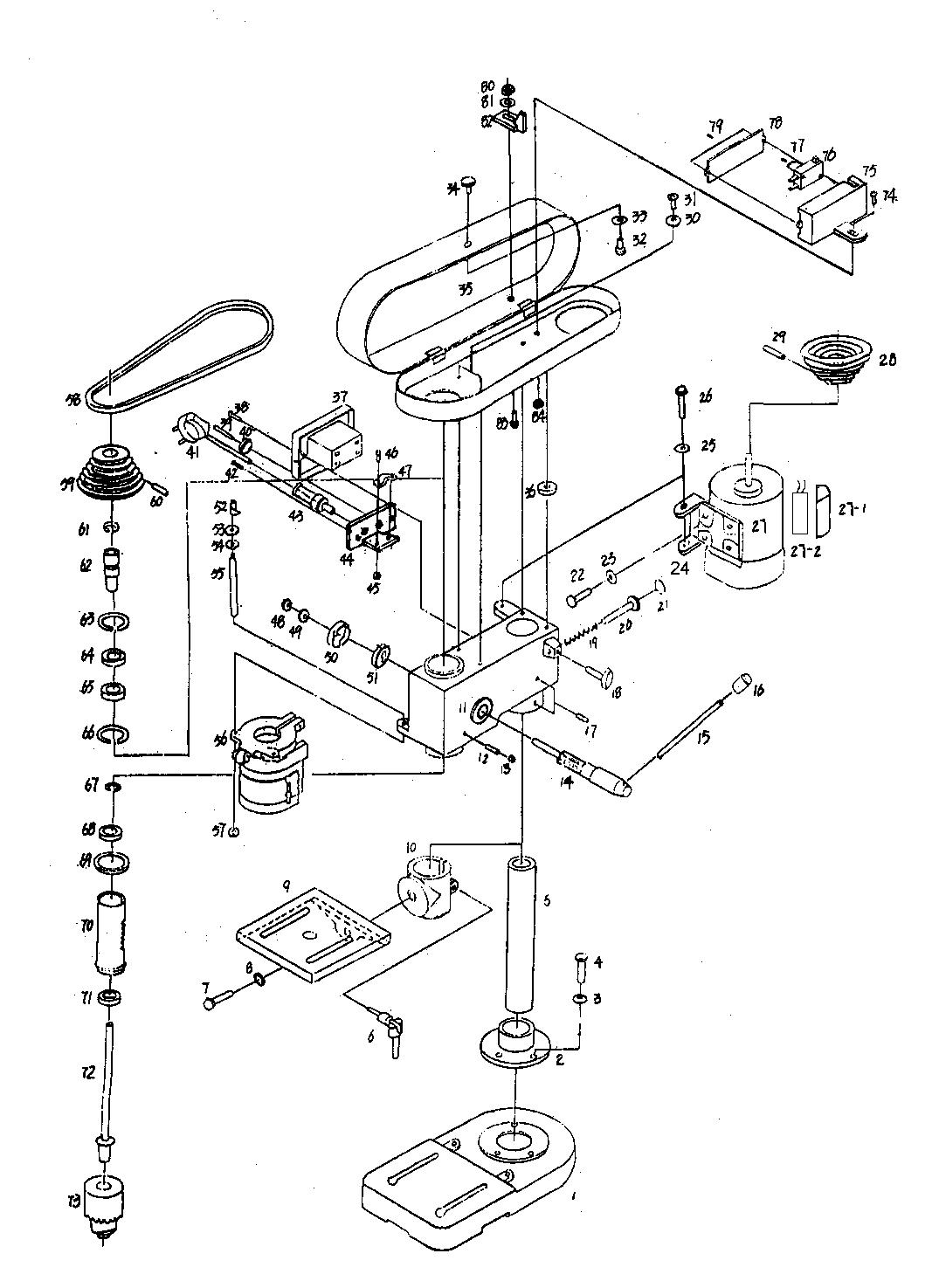
| Номер на картинке | Артикул | Наименование детали |
| 1 | 18.350.050.00-01 | Основание |
| 2 | 18.350.050.00-02 | Держатель колонны |
| 3 | 18.350.050.00-03 | Шайба |
| 4 | 18.350.050.00-04 | Винт |
| 5 | 18.350.050.00-05 | Колонна |
| 6 | 18.350.050.00-06 | Зажим |
| 7 | 18.350.050.00-07 | Винт |
| 8 | 18.350.050.00-08 | Пружинная шайба |
| 9 | 18.350.050.00-09 | Рабочий стол |
| 10 | 18.350.050.00-10 | Держатель стола |
| 11 | 18.350.050.00-11 | Корпус редуктора |
| 12 | 18.350.050.00-12 | Винт |
| 13 | 18.350.050.00-13 | Гайка |
| 14 | 18.350.050.00-14 | Ось |
| 15 | 18.350.050.00-15 | Штифт-рукоятка |
| 16 | 18.350.050.00-16 | Накладка |
| 17 | 18.350.050.00-17 | Винт |
| 18 | 18.350.050.00-18 | Регулятор |
| 19 | 18.350.050.00-19 | Пружина |
| 20 | 18.350.050.00-20 | Фиксатор |
| 21 | 18.350.050.00-21 | Шайба |
| 22 | 18.350.050.00-22 | Болт |
| 23 | 18.350.050.00-23 | Шайба |
| 24 | 18.350.050.00-24 | Кронштейн крепления двигателя |
| 25 | 18.350.050.00-25 | Шайба |
| 26 | 18.350.050.00-26 | Болт |
| 27 | 18.350.050.00-27 | Двигатель в сборе |
| 27-1 | 18.350.050.00-27-1 | Корпус для конденсатора |
| 27-2 | 18.350.050.00-27-2 | Конденсатор |
| 28 | 18.350.050.00-28 | Шкив ремня ведущий |
| 29 | 18.350.050.00-29 | Винт |
| 30 | 18.350.050.00-30 | Шайба |
| 31 | 18.350.050.00-31 | Винт |
| 32 | 18.350.050.00-32 | Винт |
| 33 | 18.350.050.00-33 | Шайба |
| 34 | 18.350.050.00-34 | Винт |
| 35 | 18.350.050.00-35 | Крышка |
| 36 | 18.350.050.00-36 | Шайба |
| 37 | 18.350.050.00-37 | Выключатель |
| 38 | 18.350.050.00-38 | Винт |
| 39 | 18.350.050.00-39 | Сетевой кабель |
| 40 | 18.350.050.00-40 | Зажим пластиковый |
| 41 | 18.350.050.00-41 | Сетевая вилка |
| 42 | 18.350.050.00-42 | Винт |
| 43 | 18.350.050.00-43 | Уплотнитель кабеля |
| 44 | 18.350.050.00-44 | Фиксатор |
| 45 | 18.350.050.00-45 | Гайка |
| 46 | 18.350.050.00-46 | Винт |
| 47 | 18.350.050.00-47 | Кабельный зажим |
| 48 | 18.350.050.00-48 | Гайка |
| 49 | 18.350.050.00-49 | Гайка |
| 50 | 18.350.050.00-50 | Пружина |
| 51 | 18.350.050.00-51 | Крышка |
| 52 | 18.350.050.00-52 | Указатель |
| 53 | 18.350.050.00-53 | Гайка |
| 54 | 18.350.050.00-54 | Гайка |
| 55 | 18.350.050.00-55 | Фиксатор |
| 56 | 18.350.050.00-56 | Ограничитель патрона |
| 57 | 18.350.050.00-57 | Гайка |
| 58 | 18.350.050.00-58 | Ремень |
| 59 | 18.350.050.00-59 | Шкив ремня ведомый |
| 60 | 18.350.050.00-60 | Винт |
| 61 | 18.350.050.00-61 | Пружина |
| 62 | 18.350.050.00-62 | Шпиндель внешний |
| 63 | 18.350.050.00-63 | Пружина |
| 64 | 18.350.050.00-64 | Подшипник |
| 65 | 18.350.050.00-65 | Подшипник |
| 66 | 18.350.050.00-66 | Пружина |
| 67 | 18.350.050.00-67 | Пружина |
| 68 | 18.350.050.00-68 | Подшипник |
| 69 | 18.350.050.00-69 | Кольцо |
| 70 | 18.350.050.00-70 | Кожух шпинделя |
| 71 | 18.350.050.00-71 | Подшипник |
| 72 | 18.350.050.00-72 | Шпиндель |
| 73 | 18.350.050.00-73 | Патрон |
| 74 | 18.350.050.00-74 | Винт |
| 75 | 18.350.050.00-75 | Корпус выключателя |
| 76 | 18.350.050.00-76 | Микровыключатель |
| 77 | 18.350.050.00-77 | Винт |
| 78 | 18.350.050.00-78 | Крышка корпуса выключателя |
| 79 | 18.350.050.00-79 | Винт |
| 80 | 18.350.050.00-80 | Винт |
| 81 | 18.350.050.00-81 | Шайба |
| 82 | 18.350.050.00-82 | Защелка |
| 83 | 18.350.050.00-83 | Винт |
| 84 | 18.350.050.00-84 | Кольцо |
Узнать стоимость запчастей к сверлильному станку WATT WSB-401 (18.350.050.00), а также к другому инструменту вы можете по этой ссылке.