
Выберите раздел деталировки:
1. Поршневая группа, картер
2. Стартер, модуль зажигания, маховик
3. Ручка, детали корпуса
4. Топливная система
5. Система подачи масла, сцепление
6. Карбюратор
7. Тормоз цепи
8. Шина, цепь
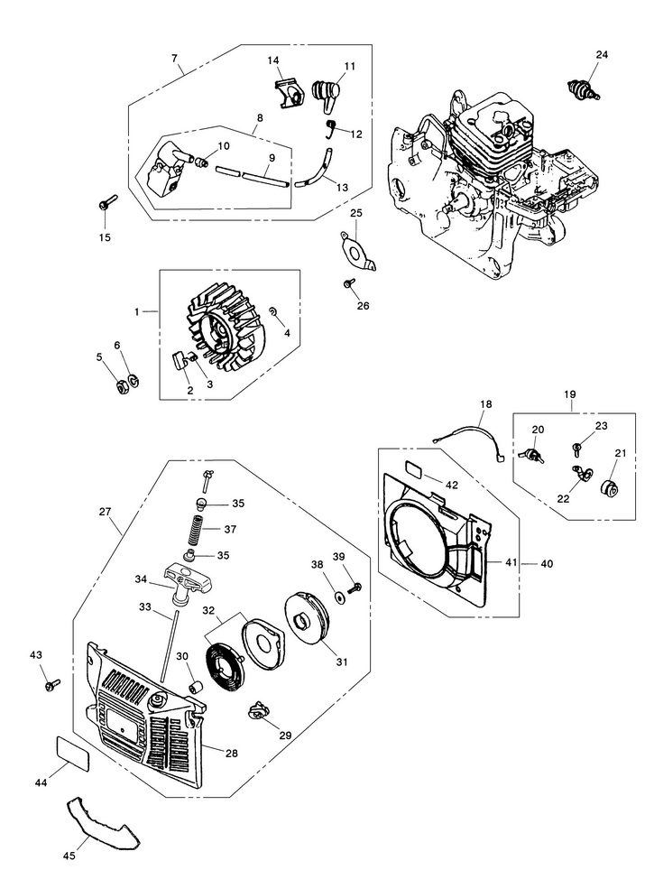
1. Поршневая группа, картер бензопилы WATT WT-2245

| Номер детали на картинке | Артикул | Наименование |
| 1 | 11.022.045.09-101 | Цилиндр d=45 mm |
| 2 | 11.022.045.09-102 | |
| 3 | 11.022.045.09-103 | Пружина |
| 5 | 11.022.045.09-105 | Inner Guide |
| 6 | 11.022.045.09-106 | Bracket |
| 7 | 11.022.045.09-107 | Винт M5x14 |
| 8 | 11.022.045.09-108 | Прокладка |
| 9 | 11.022.045.09-109 | Прокладка |
| 10 | 11.022.045.09-110 | Прокладка цилиндра |
| 11 | 11.022.045.09-111 | Болт M5x11 |
| 12 | 11.022.045.09-112 | Болт M5x83 |
| 13 | 11.022.045.09-113 | Гайка M5 |
| 14 | 11.022.045.09-114 | Глушитель |
| 15 | 11.022.045.09-115 | Винт M5x10 |
| 16 | 11.022.045.09-116 | Прокладка глушителя |
| 17 | 11.022.045.09-117 | Кожух |
| 18 | 11.022.045.09-118 | Картер в сборе |
| 19 | 11.022.045.09-119 | Пружина |
| 20 | 11.022.045.09-120 | Подшипник |
| 21 | 11.022.045.09-121 | Стопорное кольцо |
| 22 | 11.022.045.09-122 | Сальник коленвала 15x35x4,5 mm |
| 23 | 11.022.045.09-123 | Сальник коленвала 15x28x4,5 mm |
| 24 | 11.022.045.09-124 | Болт |
| 25 | 11.022.045.09-125 | Elbow |
| 26 | 11.022.045.09-126 | Стопор |
| 27 | 11.022.045.09-127 | Стопор |
| 28 | 11.022.045.09-128 | Прокладка картера |
| 29 | 11.022.045.09-129 | Винт M5x25 |
| 30 | 11.022.045.09-130 | Pipe |
| 31 | 11.022.045.09-131 | Кольцо |
| 32 | 11.022.045.09-132 | Держатель |
| 33 | 11.022.045.09-133 | Поршень d=45 mm |
| 34 | 11.022.045.09-134 | Поршневое кольцо d=45 mm |
| 35 | 11.022.045.09-135 | Поршневой палец |
| 36 | 11.022.045.09-136 | Стопорное кольцо |
| 37 | 11.022.045.09-137 | Игольчатый подшипник 11x15x12,3 mm |
| 38 | 11.022.045.09-138 | Кольцо |
| 39 | 11.022.045.09-139 | Коленвал |
| 40 | 11.022.045.09-140 | Шпонка коленвала |
2. Стартер, модуль зажигания, маховик бензопилы WATT WT-2245

| Номер детали на картинке | Артикул | Наименование |
| 1 | 11.022.045.09-201 | Маховик |
| 2 | 11.022.045.09-202 | Деталь маховика |
| 3 | 11.022.045.09-203 | Пружина |
| 4 | 11.022.045.09-204 | Стопорное кольцо |
| 5 | 11.022.045.09-205 | Гайка |
| 6 | 11.022.045.09-206 | Кольцо |
| 7 | 11.022.045.09-207 | Модуль зажигания в сборе |
| 8 | 11.022.045.09-208 | Модуль зажигания |
| 9 | 11.022.045.09-209 | Провод |
| 10 | 11.022.045.09-210 | Деталь модуля зажигания |
| 11 | 11.022.045.09-211 | Люлька свечи |
| 12 | 11.022.045.09-212 | Пружина люльки свечи |
| 13 | 11.022.045.09-213 | Деталь модуля зажигания |
| 14 | 11.022.045.09-214 | Деталь крепления |
| 15 | 11.022.045.09-215 | Винт M5x20 |
| 18 | 11.022.045.09-218 | Корд |
| 19 | 11.022.045.09-219 | Выключатель в сборе |
| 20 | 11.022.045.09-220 | Выключатель |
| 21 | 11.022.045.09-221 | Кожух выключателя |
| 22 | 11.022.045.09-222 | Деталь выключателя |
| 23 | 11.022.045.09-223 | Свеча |
| 24 | 11.022.045.09-224 | Кольцо |
| 25 | 11.022.045.09-225 | Винт |
| 26 | 11.022.045.09-226 | Винт M4x10 |
| 27 | 11.022.045.09-227 | Стартер в сборе |
| 28 | 11.022.045.09-228 | Крышка стартера |
| 29 | 11.022.045.09-229 | Деталь стартера |
| 30 | 11.022.045.09-230 | Втулка |
| 31 | 11.022.045.09-231 | Шкив |
| 32 | 11.022.045.09-232 | Пружина стартера |
| 33 | 11.022.045.09-233 | Шнур стартера |
| 34 | 11.022.045.09-234 | Ручка стартера |
| 35 | 11.022.045.09-235 | Деталь стартера |
| 37 | 11.022.045.09-237 | Пружина |
| 38 | 11.022.045.09-238 | Кольцо |
| 39 | 11.022.045.09-239 | Винт |
| 40 | 11.022.045.09-240 | Задняя крышка стартера в сборе |
| 41 | 11.022.045.09-241 | Задняя крышка стартера |
| 42 | 11.022.045.09-242 | Наклейка |
| 43 | 11.022.045.09-243 | Винт стартера |
| 44 | 11.022.045.09-244 | Наклейка |
| 45 | 11.022.045.09-245 | Держатель стартера |
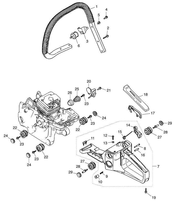
3. Ручка, детали корпуса бензопилы WATT WT-2245

| Номер детали на картинке | Артикул | Наименование |
| 1 | 11.022.045.09-301 | Ручка |
| 2 | 11.022.045.09-302 | Винт M5x19 |
| 3 | 11.022.045.09-303 | Деталь ручки |
| 4 | 11.022.045.09-304 | Винт M5x10 |
| 5 | 11.022.045.09-305 | Винт M5x8 |
| 6 | 11.022.045.09-306 | Аммортизатор ручки |
| 7 | 11.022.045.09-307 | Правая часть корпуса |
| 8 | 11.022.045.09-308 | Стопор |
| 9 | 11.022.045.09-309 | Пружина |
| 10 | 11.022.045.09-310 | Штифт |
| 11 | 11.022.045.09-311 | Аммортизатор А |
| 12 | 11.022.045.09-312 | Винт |
| 13 | 11.022.045.09-313 | Кольцо |
| 14 | 11.022.045.09-314 | Уровень |
| 15 | 11.022.045.09-315 | Пружина |
| 16 | 11.022.045.09-316 | Пружина штифта |
| 17 | 11.022.045.09-317 | Деталь корпуса |
| 18 | 11.022.045.09-318 | Деталь корпуса |
| 19 | 11.022.045.09-319 | Винт M5x19 |
| 20 | 11.022.045.09-320 | Деталь корпуса |
| 21 | 11.022.045.09-321 | Винт M5x14 |
| 22 | 11.022.045.09-322 | Аммортизатор |
| 23 | 11.022.045.09-323 | Винт M5x16 |
| 24 | 11.022.045.09-324 | Аммортизатор |
| 25 | 11.022.045.09-325 | Пружина |
| 26 | 11.022.045.09-326 | Деталь корпуса |
| 27 | 11.022.045.09-327 | Аммортизатор |
| 28 | 11.022.045.09-328 | Болт |
| 29 | 11.022.045.09-329 | Крышка аммортизатора |
4. Топливная система бензопилы WATT WT-2245

| Номер детали на картинке | Артикул | Наименование |
| 1 | 11.022.045.09-401 | Кожух цилиндра |
| 2 | 11.022.045.09-402 | Гайка |
| 3 | 11.022.045.09-403 | Винт M5x14 |
| 4 | 11.022.045.09-404 | Наклейка |
| 5 | 11.022.045.09-405 | Кожух воздушного фильтра |
| 6 | 11.022.045.09-406 | Крышка |
| 7 | 11.022.045.09-407 | Кольцо |
| 8 | 11.022.045.09-408 | Воздушный фильтр |
| 9 | 11.022.045.09-409 | Сальник |
| 10 | 11.022.045.09-410 | Винт |
| 11 | 11.022.045.09-411 | Деталь корпуса |
| 12 | 11.022.045.09-412 | Воздушный фильтр в сборе |
| 13 | 11.022.045.09-413 | Наклейка |
| 14 | 11.022.045.09-414 | Деталь корпуса |
| 15 | 11.022.045.09-415 | Деталь корпуса |
| 16 | 11.022.045.09-416 | Деталь корпуса |
| 17 | 11.022.045.09-417 | Деталь корпуса |
| 18 | 11.022.045.09-418 | Винт M5x52 |
| 19 | 11.022.045.09-419 | Рычаг подноса |
| 20 | 11.022.045.09-420 | Деталь корпуса |
| 21 | 11.022.045.09-421 | Деталь корпуса |
| 22 | 11.022.045.09-422 | Деталь корпуса |
| 23 | 11.022.045.09-423 | Деталь корпуса |
| 24 | 11.022.045.09-424 | Топливный шланг с фильтром |
| 25 | 11.022.045.09-425 | Топливопровод |
| 26 | 11.022.045.09-426 | Кольцо |
| 27 | 11.022.045.09-427 | Топливный фильтр |
| 28 | 11.022.045.09-428 | Крышка топливного фильтра |
| 29 | 11.022.045.09-429 | Кольцо |
| 30 | 11.022.045.09-430 | Сапун в сборе |
| 31 | 11.022.045.09-431 | Деталь сапуна |
| 32 | 11.022.045.09-432 | Деталь сапуна |
| 33 | 11.022.045.09-433 | Деталь сапуна |
| 34 | 11.022.045.09-434 | Фильтр воздушный в сборе |
5. Система подачи масла, сцепление бензопилы WATT WT-2245

| Номер детали на картинке | Артикул | Наименование |
| 1 | 11.022.045.09-501 | Крышка масляного бака |
| 2 | 11.022.045.09-502 | Кольцо |
| 3 | 11.022.045.09-503 | Маслопровод в сборе |
| 4 | 11.022.045.09-504 | Маслопровод |
| 5 | 11.022.045.09-505 | Масляный фильтр |
| 6 | 11.022.045.09-506 | Деталь маслопровода |
| 7 | 11.022.045.09-507 | Клапан |
| 8 | 11.022.045.09-508 | Сальник |
| 9 | 11.022.045.09-509 | Клипса |
| 10 | 11.022.045.09-510 | Масляный насос в сборе |
| 11 | 11.022.045.09-511 | Масляный насос |
| 12 | 11.022.045.09-512 | Червяк масляного насоса |
| 13 | 11.022.045.09-513 | Кольцо |
| 14 | 11.022.045.09-514 | Винт |
| 15 | 11.022.045.09-515 | Кожух масляного насоса |
| 16 | 11.022.045.09-516 | Винт |
| 17 | 11.022.045.09-517 | Муфта сцепления в сборе |
| 18 | 11.022.045.09-518 | Кольцо |
| 19 | 11.022.045.09-519 | Деталь муфты сцепления |
| 20 | 11.022.045.09-520 | Кольцо |
| 21 | 11.022.045.09-521 | Игольчатый подшипник |
| 22 | 11.022.045.09-522 | Барабан сцепления |
| 23 | 11.022.045.09-523 | Венец сцепления |
6. Карбюратор бензопилы WATT WT-2245

| Номер детали на картинке | Артикул | Наименование |
| 1 | 11.022.045.09-601 | Карбюратор |
7. Тормоз цепи бензопилы WATT WT-2245

| Номер детали на картинке | Артикул | Наименование |
| 1 | 11.022.045.09-701 | Упор |
| 2 | 11.022.045.09-702 | Винт |
| 3 | 11.022.045.09-703 | Держатель упора |
| 4 | 11.022.045.09-704 | Винт |
| 5 | 11.022.045.09-705 | Деталь упора |
| 6 | 11.022.045.09-706 | Гайка M8 |
| 7 | 11.022.045.09-707 | Тормоз цепи в сборе |
| 8 | 11.022.045.09-708 | Кожух |
| 9 | 11.022.045.09-709 | Стопор |
| 10 | 11.022.045.09-710 | Штифт |
| 11 | 11.022.045.09-711 | Гайка |
| 12 | 11.022.045.09-712 | Колесо |
| 13 | 11.022.045.09-713 | Деталь крепления |
| 14 | 11.022.045.09-714 | Деталь |
| 15 | 11.022.045.09-715 | Винт |
| 16 | 11.022.045.09-716 | Протектор |
| 17 | 11.022.045.09-717 | Ручка тормоза цепи |
| 18 | 11.022.045.09-718 | Болт |
| 19 | 11.022.045.09-719 | Стопорное кольцо |
| 20 | 11.022.045.09-720 | Пружина |
| 21 | 11.022.045.09-721 | Болт |
| 22 | 11.022.045.09-722 | Деталь цилиндрическая |
| 23 | 11.022.045.09-723 | Кольцо |
| 24 | 11.022.045.09-724 | Стопорное кольцо |
| 25 | 11.022.045.09-725 | Деталь тормоза цепи |
| 26 | 11.022.045.09-726 | Кольцо |
| 27 | 11.022.045.09-727 | Верхняя деталь тормоза цепи |
| 28 | 11.022.045.09-728 | Винт M4x12 |
| 29 | 11.022.045.09-729 | Уровень тормоза |
| 30 | 11.022.045.09-730 | Деталь уровня тормоза |
| 31 | 11.022.045.09-731 | Пружина |
| 32 | 11.022.045.09-732 | Деталь |
| 33 | 11.022.045.09-733 | Пружина тормоза |
| 34 | 11.022.045.09-734 | Пружина |
| 35 | 11.022.045.09-735 | Шильдик |
8. Шина, цепь бензопилы WATT WT-2245

| Номер детали на картинке | Артикул | Наименование |
| 1 | 11.022.045.09-801 | Шина |
| 2 | 11.022.045.09-802 | Шина |
| 3 | 11.022.045.09-803 | Цепь |
| 10 | 11.022.045.09-810 | Кожух для шины |